Mail Us: ada@maxlabfurniture.com




Wall Mounted Eye Wash EW-10
This wall-mounted emergency eyewash station with bowl is designed for rapid eye rinsing in laboratories, chemical handling areas, and industrial work zones. The integrated stainless steel bowl helps contain rinse water and keeps the surrounding area cleaner during emergency use. A large push plate (paddle) activator enables quick, hands-free operation, while the dual spray heads provide balanced, gentle rinsing to help flush contaminants from the eyes effectively.
Wall Mounted Emergency Eyewash Station (Push Plate Activation)
Ideal for laboratories, schools and general light duty indoor use, this wall mounted eye/face wash unit executive standard is ANSIZ358.1-2014 (American Standard), Pop-off dust covers protect the twin spray head from contaminants, and are lifted off by the water jets upon operation via the push plate.


(Push Type)(Head&Cover integral)
Material: SS304
Surface treatment: fine polishing, increase product corrosion resistance
Valve: two piece stay open valve
Nominal pressure: 1.0Mpa
Working pressure: 0.2 ~0.4Mpa
Test pressure: 1.5Mpa
Ambient temperature: 0°C~40°C
Face/eye wash water flow: ≥11.4 L/min
Eyewash water flow: ≥1.5 L/min
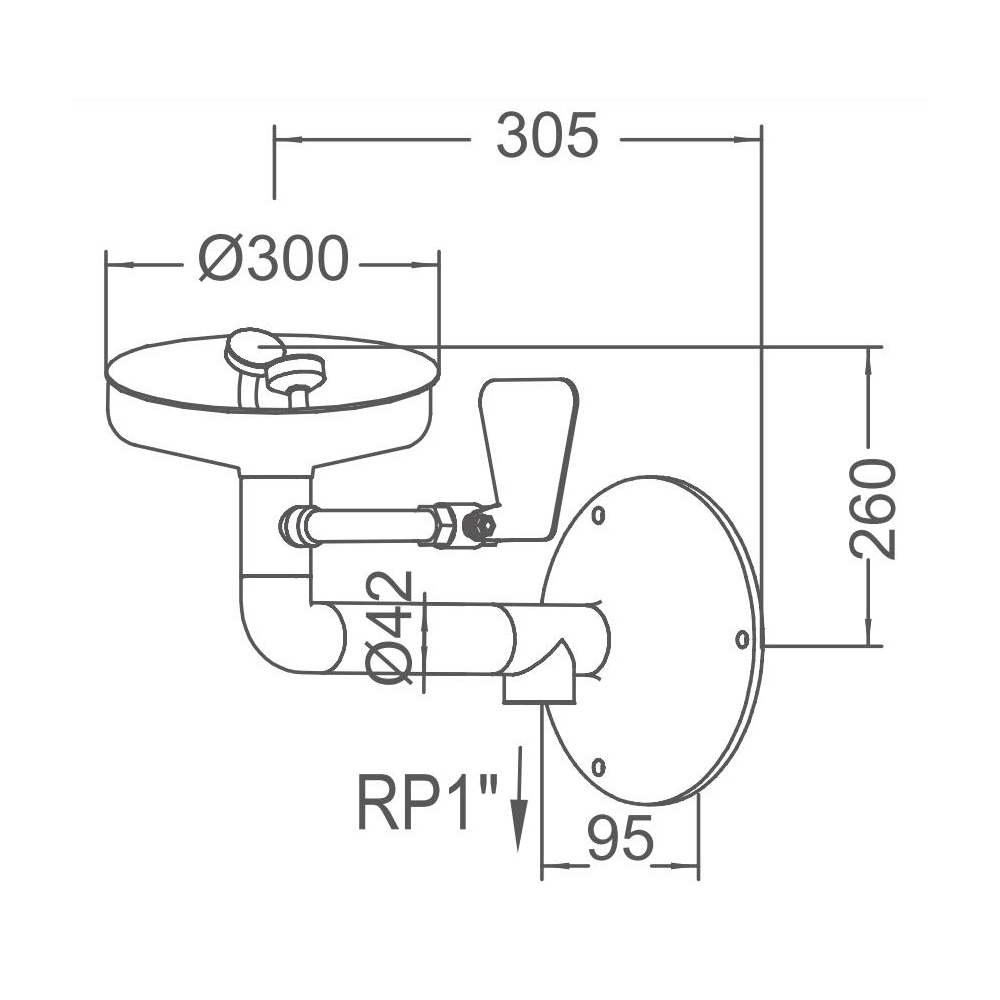
Eye wash bowl : diameter 300mm, straight edge design, concentrated water, reduce splash
Spray head: dual flow control valve, manually adjustable flow
Inlet size: ½ inch female thread
Drain size: 1 "inch internal thread
Spray head spacing: 170mm
Installation features: easy installation, space saving
Executive standard: ANSIZ358.1-2014 (American Standard)
Key Features:
Quick Activation: Pull-lever or push-plate design for instant use.
Durable Materials: Made from corrosion-resistant stainless steel or polyethylene.
Compliance: Meets ANSI Z358.1 and OSHA safety standards.
Easy Maintenance: Self-draining systems and tamper-proof designs.
Versatile Installation: Wall-mounted, floor-standing, or portable options.
Applications:
Chemical and research laboratories
Industrial and manufacturing facilities
Educational and school labs
Pharmaceutical and biotechnology plants
Get in touch with us
If you have any comments or good suggestions, please leave us a message, later our professional staff will contact you as soon as possible.
Elevate Your Lab with MAXLAB.
Custom Manufacturer and Supplier of Laboratory Furniture and Equipment.
Follow us
Quick Links
Contact
E-mail: ada@maxlabfurniture.com
Landline: +86 020-3881-3639
Mobile/WhatsApp/WeChat:
+86 132 4232 3168
Address: Room C202, 2nd Floor, No. 97, Gaopu Road, Tianhe District, Guangzhou, China.
Scan QR Code
MaxLabFurniture
MaxLab Furniture
daihongada
Max Laboratory