Mail Us: ada@maxlabfurniture.com




Pedestal Mount Eye Wash EW-12
This pedestal mounted (floor-mounted) emergency eyewash station is designed for fast eye rinsing response in laboratories, chemical handling areas, and industrial safety zones. The freestanding pedestal design allows flexible placement near hazard points without relying on a wall or countertop. A large push plate (paddle) activator enables quick operation, while the dual spray heads deliver balanced, gentle rinsing. The integrated bowl helps contain rinse water and keeps the surrounding area cleaner during emergency use.
Pedestal Mounted Emergency Eyewash Station (Push Plate Activation)
Ideal for laboratories, schools and general light duty indoor use, this pedestal mounted eye/face wash unit executive standard is ANSIZ358.1-2014 (American Standard), Pop-off dust covers protect the twin spray head from contaminants, and are lifted off by the water jets upon operation via the push plate.


(Push Type)
Material: SS304
Surface treatment: fine polishing, increase product corrosion resistance or high-gloss anti-oxidation yellow coating
Valve: two piece stay open valve
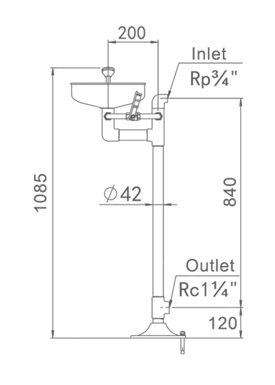
Pipework diameter: 42mm
Nominal pressure: 1.0Mpa
Working pressure: 0.2 ~0.4Mpa
Test pressure: 1.5Mpa
Ambient temperature: 0°C~40°C
Face/eye wash water flow: ≥11.4 L/min
Eyewash water flow: ≥1.5 L/min
Eye wash bowl : diameter 300mm, straight edge design, concentrated water, reduce splash
Spray head: the cover and spray head are designed in one piece, not easy to lose
Inlet size: ½ inch female thread
Drain size: 1 "inch internal thread
Spray head spacing: 170mm
Inlet height: 960±5mm
Drain height: 120±5mm
Installation features: easy installation, space saving
Executive standard: ANSIZ358.1-2014 (American Standard)
Key Features:
Quick Activation: Pull-lever or push-plate design for instant use.
Durable Materials: Made from corrosion-resistant stainless steel or polyethylene.
Compliance: Meets ANSI Z358.1 and OSHA safety standards.
Easy Maintenance: Self-draining systems and tamper-proof designs.
Versatile Installation: Wall-mounted, floor-standing, or portable options.
Applications:
Chemical and research laboratories
Industrial and manufacturing facilities
Educational and school labs
Pharmaceutical and biotechnology plants
Get in touch with us
If you have any comments or good suggestions, please leave us a message, later our professional staff will contact you as soon as possible.
Elevate Your Lab with MAXLAB.
Custom Manufacturer and Supplier of Laboratory Furniture and Equipment.
Follow us
Quick Links
Contact
E-mail: ada@maxlabfurniture.com
Landline: +86 020-3881-3639
Mobile/WhatsApp/WeChat:
+86 132 4232 3168
Address: Room C202, 2nd Floor, No. 97, Gaopu Road, Tianhe District, Guangzhou, China.
Scan QR Code
MaxLabFurniture
MaxLab Furniture
daihongada
Max Laboratory